PAK-M DX

Unidad de alto vacío compacta y de bajo consumo con varias opciones adecuada para polvo combustible orgánico o metálico. Para 1-5 usuarios.

El PAK-M DX es un aspirador de alto vacío controlado por variador de frecuencia. Está diseñado para la aspiración de polvo combustible procedente del amolado o lijado (incl. aspiración en la herramienta), así como de granulado, gravilla o virutas. El PAK-M DX también es adecuado para la limpieza del lugar de trabajo, el suelo del taller o la aspiración directa de una línea de producción. Los campos de aplicación típicos se encuentran en la industria de la construcción o manufacturera, panaderías, etc., sirviendo generalmente de 1 a 5 puntos de aspiración simultáneos. Hay dos versiones principales disponibles; PAK-M DX, equipado con un panel de alivio para la liberación de la presión de explosión y la llama o PAK-M DX equipado con un sistema de ventilación sin llama que puede utilizarse en interiores con variantes adecuadas para polvo orgánico o metálico respectivamente.

El PAK-M DX controla la velocidad del motor automáticamente mediante un VFD (accionamiento de frecuencia variable) y un sensor dP para mantener un vacío constante, seleccionado por el usuario en el panel de control, lo que resulta ideal para la aspiración en la herramienta pero también garantiza un consumo mínimo de energía, ahorrando normalmente un 50% de energía o más en comparación con las unidades sin VFD. La PAK-M DX también puede configurarse para generar el máximo vacío posible para aplicaciones con tuberías largas, transporte de material o limpieza. Las válvulas de vacío automáticas ofrecen un mayor ahorro de energía al controlar el PAK-M DX para que sólo proporcione aspiración cuando se esté realizando una operación, pero también pueden utilizarse para aumentar el número de puntos de trabajo si no se utilizan todos simultáneamente.

El PAK-M DX está controlado de serie por el variador de frecuencia, pero puede ampliarse con un PLC independiente para mejorar las funciones de control y sensores. El PAK-M DX se ha desarrollado para encajar en instalaciones normalmente sensibles al ruido gracias a unos silenciadores eficientes, un cerramiento acústico y el uso del VFD para funcionar a la velocidad más baja posible necesaria para mantener la aspiración deseada.

El PAK-M DX se ofrece con dos opciones de filtro: un filtro de poliéster antiestático con un filtro de control de clase M o un filtro de PTFE de alta eficacia con un filtro de control H14 para aumentar la eficacia de limpieza y prolongar la vida útil del filtro en aplicaciones más exigentes. Al ejecutar el ciclo de limpieza se abre la válvula de limpieza del filtro y se crea una potente ráfaga de flujo de aire invertido que desaloja eficazmente el polvo de las bolsas filtrantes. La limpieza del filtro se inicia en función de la cantidad de polvo cargado en el filtro (a demanda, controlada por dP) o, alternativamente, en función del temporizador, lo que garantiza un número total mínimo de ciclos de limpieza y, por tanto, aumenta la vida útil del filtro.

La unidad de aspiración, VAC-M, también se vende por separado para combinar otro separador de polvo distinto del estándar.

  • Bajos costes de funcionamiento con VFD de bajo consumo para mantener el nivel de vacío deseado y 6 000 horas de vida útil del filtro en la mayoría de las aplicaciones típicas.
  • Bajos costes de instalación - unidad completa con VFD como arrancador, unidad de control y para ajustar el nivel de vacío deseado - no es necesaria ninguna instalación.
  • La limpieza eficaz del filtro, controlada por dP o por temporizador, minimiza el número de ciclos de limpieza y prolonga la vida útil del filtro.
  • Bajo nivel de ruido con ventilador montado en caja acústica
  • Diseñado para aplicaciones ATEX e incorpora funciones de seguridad como parada de emergencia, filtro de control supervisado que detecta el fallo del filtro principal y sistema de alivio/ventilación supervisado que ventila una explosión a una zona segura y detiene la unidad.

Datos técnicos
Certificaciones CE, EX
Nivel sonoro 70
Case de protección IP54 (Dust separator IP65)
Consumo aire comprimido 700 N-Litres/min (25 cfm)
Instalación Interior
Apropiado para polvo combustible
Tipo de método de limpieza Impulsos de aire inverso
Material reciclado (%) 96 weight-%
Application Granalla, Polvo, Viruta, Granulado
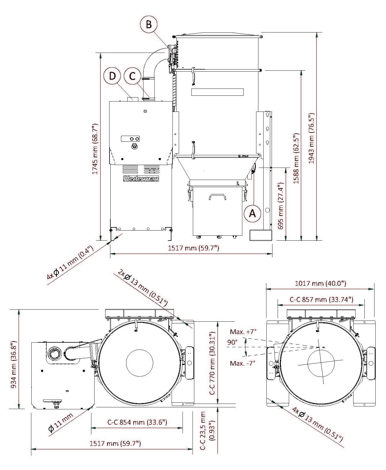
Capacidad del contenedor (l) 70
Superficie de filtración (m²) 3.0
Voltaje (V) 380-480
Frecuencia (Hz) 50/60
Tipo de filtro Mangas
Número de elementos filtrantes 24
Compressed air requirement 6 - 10 bar (87 - 145 PSI)
Capacity (max airflow m3/h) 545 m3/h @ 15kPa, 475 m3/h @20kPa
Max vacuum (kPa) 21
Inlet 100 mm
Peso (kg) 378-393
Outlet 100 mm
Potencia (kW) 7,5 kW @50 Hz, 9 kW @60 Hz

Accesorios para este producto 21

Alarma de incendios para filtros compl.
ArtNo: 40116540

Alarma de incendio completa. Se activa cuando la temperatura excede de +140 grados centígrados. Si se coloca en la zona EX, se requiere un circuito de seguridad intrínseca.

Bolsa de plástico 730x900, 20pcs, en material conductor para aplicaciones EX
ArtNo: 40118800

Bolsa de plástico 730x900 disipativo, 20p

Interruptor de desconexión MS6-KG64
ArtNo: 40122310

Interruptor de desconexión MS6-KG64

Leg PAK-M DX
ArtNo: 40370030

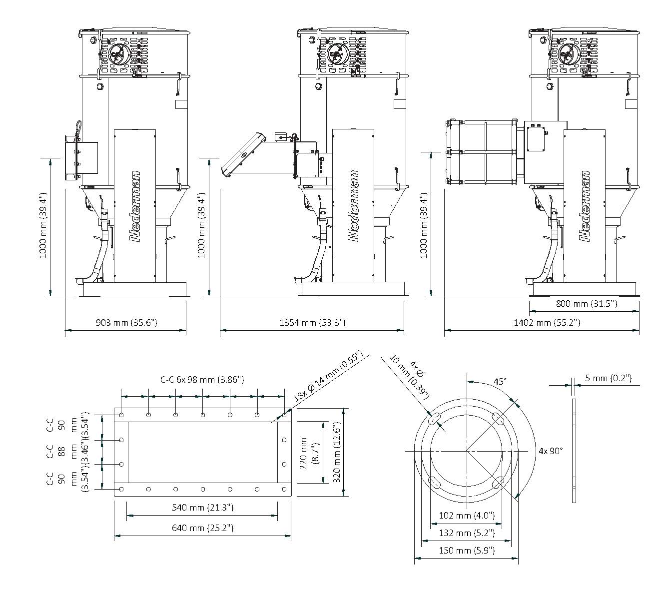
Additional filtration unit support leg for use when separating the control/vacuum unit from the filtration system for improved versatility and accessibility.

Advanced control box
ArtNo: 40370040

Multifunctional control box with enhanced inputs/outputs capable of managing up to four accessory connections. Allows the integration of additional switches and warning signals, enabling comprehensive system control.

VFD display extension
ArtNo: 40370060

VFD controller display extension housing mounted on outside of cabinent allowing clear readout of warnings and controlling of VFD.

Main filter PAK-M DX antistatic PTFE
ArtNo: 40370070

Primary antistatic PTFE coated polyester bag filter providing 32.3ft² (3.0m²) of filtration area. Rated Class M in compliance with EN 60335-2-69 standards.

Main filter PAK-M DX antistatic PTFE
ArtNo: 40370080

Primary antistatic PTFE coated polyester bag filter offering 32.3ft² (3.0m²) of filtration area. Rated Class M as per EN 60335-2-69 standards.

Microfilter D264x460 H14 A=5,18m2
ArtNo: 40370100

H14 grade secondary filter with a 3-layer polyester/glass fibre/polyester design, offering 5.18m² (55.7ft²) of filtration area for high-efficiency particle capture.

Indicador de nivel (BLI)EX
ArtNo: 40375269

BLI EX

Flanged pipe d100, 1m
ArtNo: 40376521

Tubería embridada diámetro 100mm, longitud 1m

Flange pipe d100, 0,5m
ArtNo: 40376522

Tubería embridada diámetro 100mm, longitud 0,5m

Flanged bend 90 degr. d100
ArtNo: 40376523

Codo embridado 90 degr. d100

Deflector 220x540
ArtNo: 40376771

Deflector 220x540

Vibration Sens Kit FlexPAK (IOT)
ArtNo: 40377221

Vibration sensor kit monitors fan and bearing health by tracking vibration levels. Can be programmed to trigger alarms or initiate shutdown if set thresholds are exceeded.

Flanged trans.pipe 0,2m DN100 B-Flap
ArtNo: 40377307

Transition pipe with flanged ends, 0.2m (7.87 inches) in length and 100mm (3.94 inches) diameter, used to connect flanged pipes to standard piping systems.

Adapter flange/flange DN100 B-Flap
ArtNo: 40377308

Adapter flange designed to ensure compatibility between standard piping and B-flap systems, with a DN100 (3.94 inches) size for seamless connection.

Compressed air filter
ArtNo: 40620360

Inline compressed air filter captures oil, water, and solid particles within incoming air protecting valves and other sensitive components from clogging or damage, particularly in settings where compressed air quality standards may vary.

Interruptor de aire comprimido, 3 bar
ArtNo: 40620370

Interruptor de aire comprimido, 3 bar

Mounting kit elec.box (PS)
ArtNo: 40903520

Electrical mounting kit providing a pilot signal junction box, enabling connection and branching of multiple microswitches from the main power line.

Cartridge filter NEL20/21, L=470 A=5,4m² without perforated plate
ArtNo: 43130200

Filtro de cartuchos NEL20/21