Bras d'aspiration FX2 100 CHEM - Pour laboratoires

Bras d'extraction efficace, silencieux et flexible - idéal pour l'extraction des fumées dans les environnements où la résistance à la corrosion doit être assurée.

Les bras d'aspiration Nederman FX2 sont faits de profilés en aluminium anodisé léger, avec trois joints de friction en composite réglables. Offrant force et durabilité combinée à une manipulation facile, ces bras d'extraction peuvent être utilisés dans de nombreux types d’environnement. Ils sont particulièrement adaptés aux applications nécessitant des bras de petite taille, flexibles et faciles à utiliser.
Avec les profilés en aluminium anodisé avec un revêtement de dépôt électrophorétique blanc, le bras d'aspiration FX2 est idéal pour l’extraction des fumées dans des environnements agressifs où la résistance à la corrosion doit être assurée.

  • Efficacité optimale et faible nuisance pour un environnement de travail sûr et silencieux
  • Flexibilité d'installation - Fixé au plafond, au mur, au sol ou sur plan de travail
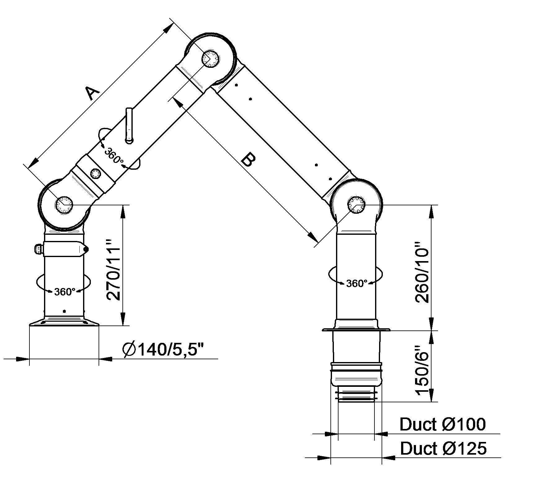
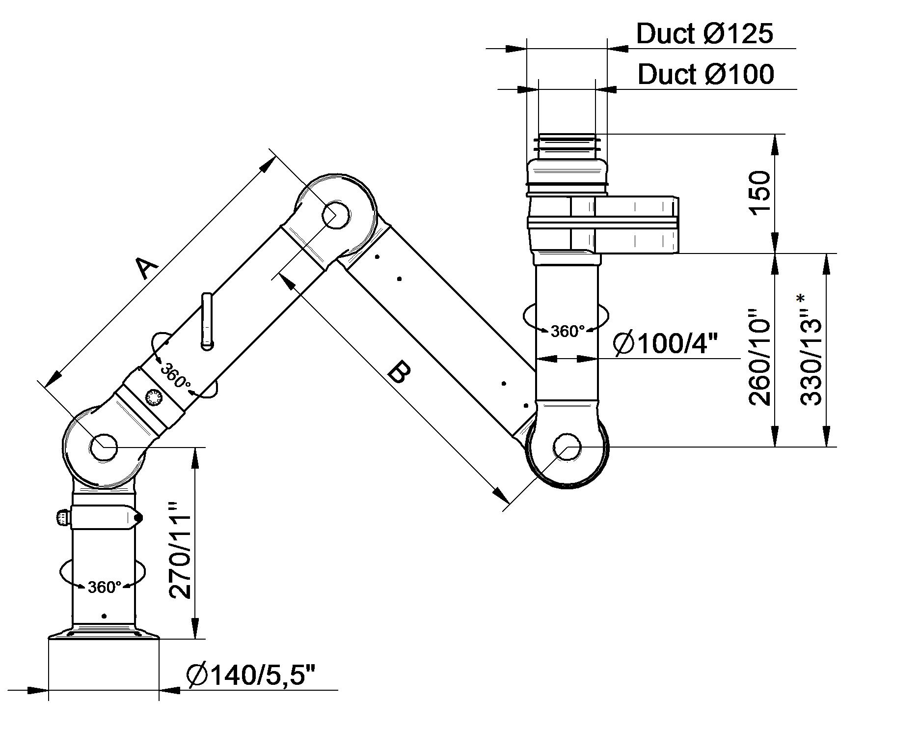
  • Maniabilité - Les deux articulations les plus extérieurs du bras d'aspiration peuvent pivoter jusque 360°
  • La conception permet aux bras d'aspiration de bien s’adapter dans n’importe quel environnement sans compromettre sa durabilité et sa fiabilité
  • Gains de temps, réduction des coûts, fiabilité pour une meilleure performance

Caractéristiques techniques
Certifications CE
Niveau sonore (dB(A)) 62 dB(A) at 450 m3/h
Installation Intérieur
Matériel Tubes en aluminium anodisé (20 µm entrée/sortie). Joints en conductive PP (polypropène). Raccords de tuyaux en EPDM (caoutchouc)
Température de la fumée max 158 °F (70 °C)
Diamètre du bras d'extraction (mm) 100
Débit (m³/h) 200 - 450
Category type CHEM
Couleur Aluminium
    FX2-CHEM-D100-L1200-Haut/Bas-Faible

    ArtNo: 70608244

    Longueur du bras (m)
    1,2
    Poids (kg)
    4,8
    Type de ventilation
    Raccordement vers le bas, Raccordement vers le haut
    Type de montage
    Bord de table, Mural, Sur une surface horizontale
    FX2-CHEM-D100-L1200-Up-PLUS

    ArtNo: 70608344

    Longueur du bras (m)
    1,2
    Poids (kg)
    5,9
    Type de ventilation
    Raccordement vers le haut
    Type de montage
    Plafond, Mural
    FX2-CHEM-D100-L1200-Haut/Bas-Travers

    ArtNo: 70608444

    Longueur du bras (m)
    1,2
    Poids (kg)
    4,1
    Type de ventilation
    Raccordement vers le bas, Raccordement vers le haut
    Type de montage
    Meuble suspendu, A travers la paillasse
    FX2-CHEM-D100-L1800-Haut-Faible

    ArtNo: 70608544

    Longueur du bras (m)
    1,8
    Poids (kg)
    5,9
    Type de ventilation
    Raccordement vers le haut
    Type de montage
    Bord de table, Sur une surface horizontale
    FX2-CHEM-D100-L1800-Up-PLUS

    ArtNo: 70608644

    Longueur du bras (m)
    1,8
    Poids (kg)
    7,7
    Type de ventilation
    Raccordement vers le haut
    Type de montage
    Plafond, Mural
    FX2-CHEM-D100-L1800-Bas-Faible

    ArtNo: 70608744

    Longueur du bras (m)
    1,8
    Poids (kg)
    5,9
    Type de ventilation
    Raccordement vers le bas
    Type de montage
    Bord de table, Sol, Mural, Sur une surface horizontale
    FX2-CHEM-D100-L1800-Bas-Travers

    ArtNo: 70608844

    Longueur du bras (m)
    1,8
    Poids (kg)
    5,9
    Type de ventilation
    Raccordement vers le bas
    Type de montage
    A travers la paillasse
    FX2-CHEM-D100-L2400-Haut-Faible

    ArtNo: 70608944

    Longueur du bras (m)
    2,4
    Poids (kg)
    6,9
    Type de ventilation
    Raccordement vers le haut
    Type de montage
    Bord de table, Sur une surface horizontale
    FX2-CHEM-D100-L2400-Up-PLUS

    ArtNo: 70609044

    Longueur du bras (m)
    2,4
    Poids (kg)
    8,7
    Type de ventilation
    Raccordement vers le haut
    Type de montage
    Plafond, Mural

Accessoires pour ce produit 23

Extension FX-Cut2fit L2200
ArtNo: 70374600

Extension FX-Cut2fit L2200.

Hotte dôme FX CHEM-D50/75/100
ArtNo: 70376984

Hotte dôme FX CHEM-D50/75/100

Collecteur de poussière FX2-ORIG/CHEM-D100
ArtNo: 70377040

Connecteur poussière FX2-ORIG/CHEM-D100 Raccord de conduite gris facilitant le raccordement de la conduite aluminium de 100 mm (4") aux conduites externes de 125 mm (5"). Il est à noter que tous les bras sont fournis par défaut avec un connecteur de poussière.

Kit support FX2 -D50/75/100-L500
ArtNo: 70377042

Kit support FX2 -D50/75/100-L500 Kit de montage complet avec support classique, 500 mm (19,68 inch) profilé d'extension et pièces associées, pour montage des bras FFX2 50/75/100 au plafond.

Kit SUPPORT mural FX2 -plat-L190-blanc
ArtNo: 70377043

Kit SUPPORT mural FX2 -plat-L190-blanc. Kit de montage complet avec support mural plat, 190 mm (7,48 inch) profilé d'extension et pièces associées pour le montage des bras FX2 50/75/100 avec 250 mm de la ligne centrale verticale du bras au mur.

Plaque de recouvrement plafond FX2 PLUS
ArtNo: 70377045

Plaque de recouvrement plafond FX2 PLUS,

Kit SUPPORT mural P FX2 -D50/75/100-L190
ArtNo: 70377046

Kit SUPPORT mural P FX2 -D50/75/100-L190. Kit de montage complet pour le montage des bras FX2 50/75/100 plus bras avec 250 mm (9,84") de la ligne centrale verticale du bras au mur.

Conduite FX2-Al -L1000-D75/100 àD100-BLC.
ArtNo: 70377054

Conduite FX2-Al -L1000-D75/100 àD100-WHT

Conduite FX2-Al -L2000-D75/100 àD100-WHT
ArtNo: 70377055

Conduite FX2-Al -L2000-D75/100 àD100-WHT

FX2-Hose support ring-D100
ArtNo: 70377068

FX2-Hose support ring-D100

FX2-Hose support ring-D125
ArtNo: 70377069

FX2-Hose support ring-D125

Tuyau FX-D100-L3000-gris
ArtNo: 70377099

Tuyau FX-D100-L3000-gris

Tuyau FX-D125-L5000-gris
ArtNo: 70377100

Tuyau FX-D125-L5000-gris

FX2-Al duct-L2000-D75/100toD100-CHEM
ArtNo: 70377409

FX2-Al duct-L2000-D75/100toD100-CHEM

FX2-Cover small
ArtNo: 70377452

FX2-Cover small

Hotte combinée FX-CHEM-D50/75/100
ArtNo: 70500344

Hotte combinée FX-CHEM-D50/75/100.

Hotte métallique FX-ORIG/CHEM-D50/75/100
ArtNo: 70500444

Hotte métallique FX-ORIG/CHEM-D50/75/100. Hotte recouverte de poudre métallique blanche, en aluminium, conçue pour capturer les contaminants à haute température, les fumées agressives lorsqu'une résistance à la corrosion doit être garantie ou les projections de poussière. Il peut être fixé directement sur une mini-hotte, indépendamment de la taille du bras.

Support FX ensemble-D50/75/100-L190
ArtNo: 70501144

Support FX ensemble-D50/75/100-L190

Support FX classique -D50/75/100
ArtNo: 70501244

Support FX classique -D50/75/100

Extension FX-Cut2fit L1100.
ArtNo: 70501344

Extension FX-Cut2fit L1100

Kit Support de banc FX2 -D50/75/100
ArtNo: 70501444

Kit Support de banc FX2 -D50/75/100

Plaque de recouvrement plafond FX
ArtNo: 70502644

Plaque de recouvrement plafond FX

Bride FX hotte CHEM-D50/75/100
ArtNo: 70503044

Bride FX hotte CHEM-D50/75/100